美女免费高清在线观看电视剧_西西人体www大胆高清_8090新视觉理论电影电视剧免费观看_国产精品丝袜黑色高跟鞋

全國服務熱線021-64162222

電動執行器閥門首頁 > 產品展示 > 電動執行器 >

產品名稱:部分回轉閥門電動裝置[ 2020-05-29 ]

訂購熱線:021-64162222
訂購傳真:021-62677999
質量穩定:實行全過程質量監控,細致入微全方位檢測!
價格合理:高效內部成本控制,減少了開支,讓利于客戶
交貨快捷:先進生產流水線,充足的備貨,縮短了交貨期!
  • 產品介紹
  • 規格尺寸
  • 結構圖片
  • 一、部分回轉閥門電動裝置介紹

    上海湖泉部分回轉閥門電動裝置(Q型電裝),90 °回轉的部分回轉閥門電動裝置,朝一體型結構發展的最新產品,該閥設計簡單易操作,是閥門實現開啟、關閉或調節控制的驅動設備,適用于蝶閥、球閥、旋塞閥和風門等做90°回轉的閥門。該系列分為:普通型、防爆型、智能整體開關型、智能調節型,非侵入液晶式(帶遙控操作器)。它廣泛地使用在管道閥門的給排水、供熱、電站、化工、食品、紡織、造紙、制藥、船舶、鋼鐵和煤炭等工程。

    二、部分回轉閥門電動裝置型號表示方法

    型號示例:
    1)Q10-1B表示一體式部分回轉,輸出轉矩100N·m(10kgf·m),輸出轉速1r/min,隔爆型。
    2)DQ8000-0.26Z疊加結構,輸出轉矩80000N·m(8000kgf·m),輸出轉速0.26r/min,整體普通型。


    三、部分回轉閥門電動裝置結構

    1、電機:戶外型采用YDFf型,隔爆型采用YBDFf型閥門專用異步電動機。
    2、減速器由二對正齒輪和蝸輪副組成。
    3、行程控制器采用凸輪機構,凸輪與輸出軸同步。
    4、轉矩控制器利用蝸桿竄動帶動曲拐和搖桿壓迫微動開關從而發信。
    5、開度指示器用于現場指示閥門開啟程度和遠傳閥位開度信號。
    6、手電動切換機構為全自動切換,需手動時,直接轉動手輪即可操作電動裝置,無切換手柄。
     

    四、部分回轉閥門電動裝置工作環境和主要技術參數

    電源:常規,三相380V(50Hz)
    特殊:三相660V、415V(50Hz、60Hz);
    單相220V、110V(50Hz、60Hz)
    工作環境
    1、環境溫度: -20~+60℃  (特殊訂貨 -40~+80℃)
    2、相對濕度:≤95%(25℃時)
    3、防護類型
    4、戶外型:用于無易燃、易爆和無腐蝕性介質的場所;
    5、隔爆型:有dI和dIIBT4兩種,dI適用于煤礦非采掘工作面;dIIBT4用于工廠,適用于環境為IIA、IIB級T1-T4組的爆炸性氣體混合物。(詳見GB3836.1)
    6、防護等級:IP55(特殊訂貨IP65、IP67)
    7、工作制:短時10分鐘(特殊訂貨30分鐘)

     

    五、部分回轉閥門電動裝置訂貨須知

    1、 請按型號表示方法寫明型號,如有特殊要求,訂貨時必須說明,若不說明則按本公司規定提供。

    2、 環境具有爆炸性氣體必須說明,并必須符合本說明書中防爆標志的規定。

    3、 請寫明連接尺寸標準,閥桿直徑及伸出長度,若連接尺寸與本說明書不符,可與本公司協商解決。

    4、 手輪順時針旋轉為關閥,如與此相反必須說明。

    5、 所需規格一般由用戶選擇,若有困難本公司可為用戶選型。

     

     

     
     
  • 六、部分回轉閥門電動裝置選用

    基座號 型號 輸出轉矩(N·m) 最大閥桿直徑(mm) 手動速比 輸出轉速(r/min)
    0.5 1 1.5 2 3 4
    電機功率(KW)
    Q1 Q10 100 22 88 0.03 0.06 0.09 0.09 0.18 0.18
    Q20 200 28 0.06 0.09 0.12 0.12 0.25 0.25
    Q30 300 0.06 0.12 0.18 0.18 0.37 0.37
    Q40 400 42 0.12 0.18 0.25 0.25 0.55 0.55
    Q2 Q60 600 74 0.18 0.18 0.25 0.25 0.55 0.55
    Q90 900 50 0.18 0.25 0.37 0.37 0.75 0.75
    Q120 1200 0.18 0.37 0.55 0.55 1.1 1.1
    Q3 Q200 2000 60 67 0.37 0.55 0.75 1.1 - -
    Q250 2500 0.55 0.55 0.75 1.1 - -
    Q300 3000 0.55 0.75 1.1 - - -
    Q400 4000 0.55 0.75 - - - -
    Q500 5000 0.75 1.1 - - - -
     
     
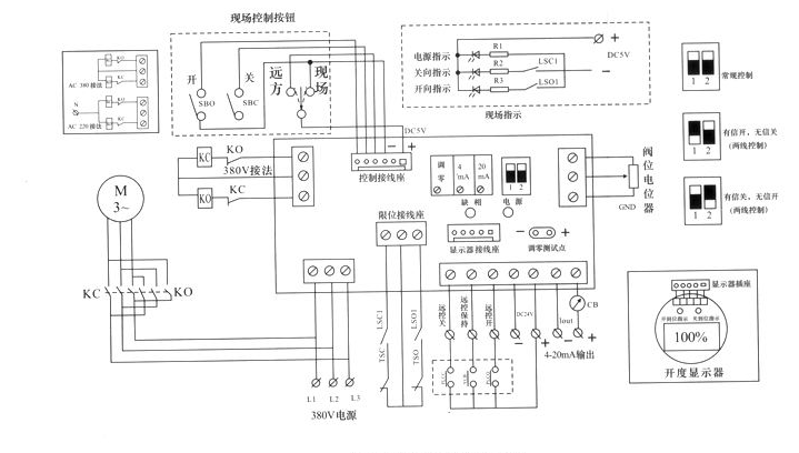
  • 七、部分回轉閥門電動裝置控制原理圖


    部分回轉閥門電動裝置控制原理圖

上一篇:精小型電動執行器 / 下一篇:直行程電動執行器