美女免费高清在线观看电视剧_西西人体www大胆高清_8090新视觉理论电影电视剧免费观看_国产精品丝袜黑色高跟鞋

全國服務熱線021-64162222

新聞資訊News center

企業動態閥門首頁 > 新聞資訊 > 企業動態 >

電動閥、電動蝶閥原理與接線

[ 2020-10-14 ]

電動閥:

電動閥:電動調節閥(可以控制開度。可連續調節閥門)與電動閥(只能控制開關不能控制開度),交流一般3根線,火線、零線、地線。

電磁閥:智能開關閥門不能控制開度。通電開,斷電自動關閉復位。

電動調節閥接線:電源2根,開度控制2根,開度反饋2根,共六根。

電動閥接線:開與關控制3根(開1根,關1根,公共端1根),開到位與關到位3根(開到位1根,關到位1根,公共端1根),共計6根線。其中開到位與關到位為無源觸點。

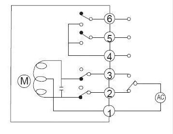
空調冷卻塔、冷水機組電動閥接線圖(此電動閥不能調節開度)。

電動閥、電動蝶閥

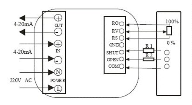
空調冷水機組集水器、分水器電動調節閥接線圖 (電壓220V  4~20mA)

電動閥、電動蝶閥

電動蝶閥:

電動蝶閥有普通型和智能型。普通型,當接通其電機,閥門便開或合,視電機正反轉而定;智能型如AC380V的,給其供AC380V后,電機不動,內部控制電路板可以工作。當給其輸入4—20mA電流時,做相應動作。4mA時關閉,20mA時打開。而且有4—20mA模擬量反饋信號,以反應它的閥門開度大小。

電動蝶閥由電動執行器和蝶閥組成,電動執行器為90度旋轉,有開關和調節式兩種控制方式,通過電動執行器旋轉帶動蝶閥的開啟與關閉。具備手動操作功能,在斷電時通過手動操作來開關蝶閥。

常見的電動蝶閥接線圖:

電動閥、電動蝶閥

如下:開關型帶有源燈指示電動蝶閥接線圖,共有5根接線,1,2,3是控制部分,1,4,5是反饋部分。

電動閥、電動蝶閥

開關型帶無源觸點型反饋電動蝶閥接線圖,1,2,3是控制部分接線,4,5,6為無源觸點反饋。

電動閥、電動蝶閥

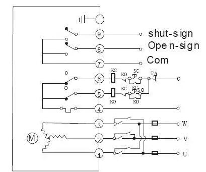
開關型帶開度信號反饋電動蝶閥接線圖。1,2,3為控制接線部分,4,5,6為反饋部分,輸出0-5K的電阻值,可以選定。

AC380V三相電源電動蝶閥接線圖:

電動閥、電動蝶閥

智能調節式電動蝶閥接線圖,輸入輸出4-20mA:

電動閥、電動蝶閥

本文標題:電動閥、電動蝶閥原理與接線 本文地址:http://www.mini361.com/company-news/2759.html

上一篇:電動蝶閥我們到底該用軟密封還是硬密封 / 下一篇:304電動不銹鋼閘閥