美女免费高清在线观看电视剧_西西人体www大胆高清_8090新视觉理论电影电视剧免费观看_国产精品丝袜黑色高跟鞋

全國服務熱線021-64162222

新聞資訊News center

企業動態閥門首頁 > 新聞資訊 > 企業動態 >

不銹鋼三通四通球閥廠家直銷,不銹鋼四通螺紋球閥廠家價格

[ 2024-04-02 ]
不銹鋼三通四通球閥是一種常見的工業管道設備,它具有高強度、耐腐蝕等優點,被廣泛應用于各個領域。作為一家專業的不銹鋼三通四通球閥廠家,我們致力于提供優質的產品和服務,以滿足客戶的需求。 我們的不銹鋼三通四通球閥采用高質量的不銹鋼材料制造而成,確保了產品的耐用性和可靠性。球閥在管道系統中起到控制流體流動的重要作用,而不銹鋼材料使得球閥具備了抗腐蝕的特性,能夠在惡劣的工作環境下長時間穩定運行。 除了不銹鋼材料的優勢,我們的不銹鋼四通螺紋球閥還具備緊湊型結構、開關靈活、密封性好等特點。這些特性使得我們的產品在管道系統中更加方便使用和維護。不銹鋼四通螺紋球閥廣泛應用于化工、石油、冶金、電力等行業,為客戶提供了穩定可靠的管道控制解決方案。 作為一家廠家直銷的企業,我們擁有完善的生產設備和技術團隊,能夠按照客戶的要求定制不銹鋼三通四通球閥和四通螺紋球閥。我們嚴格控制產品的質量,確保每一臺球閥都符合國際標準和客戶的需求。與此同時,我們的價格也是市場上的競爭力,可以為客戶提供實惠的價格。 如果您正在尋找不銹鋼三通四通球閥或不銹鋼四通螺紋球閥,我們歡迎您與我們聯系,我們將竭誠為您提供優質的產品和滿意的服務。

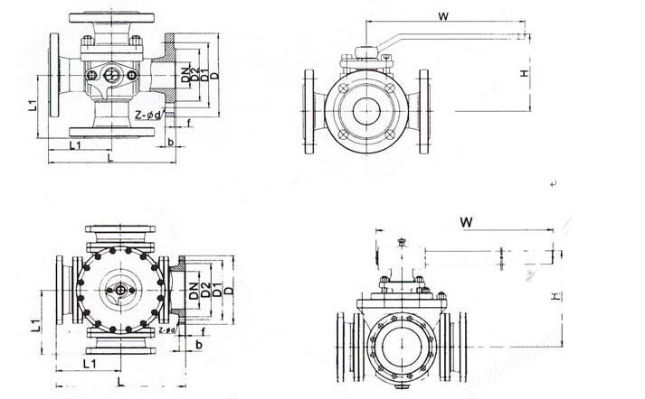
球閥
該四通換向球閥,一 閥實現正反供水切換,每轉90 ,供水方式切換一次,以前需四個閥門,供水時閥1、4 開啟,閥2、3關閉;反向供水時閥2、3開啟,閥1、4 關閉,現用一臺四通球閥替代,操作方便。四通球閥在石油、天然氣、煤炭和礦石的開采、提煉加工和管道輸送系統中;在化工產品、醫藥和食品生產種;在水電、火電和核電的電力生產系統中;在城市和工業企業的給排水、供熱、和供氣系統中;在農田的排灌系統中;在治金生產系統中得以廣泛的應用,是一種與生產建設、國防建設和人民生活息息相關的重要機械產品。球閥密閉在各類管路系統種用于截斷或接通介質流,使介質按照預定的程序輸送到各個點。

球閥廠家

零件材料:

閥體/閥蓋

GB

WCB

ZGlCrl8Ni9Ti

ZGOCfl8Nil2M02Ti

ASTM

WCB

CF8

CF8M

球體

GB

2Crl3

1Cfl8Ni9Ti

0Cfl8Ni12M02Ti

ASTM

420

304

316

閥桿

GB

2Crl3

1Crl8Ni9Ti

0Crl8Ni12M02Ti

ASTM

420

304

316

閥座

GB

聚四氟乙烯

對位聚苯

聚四氟乙烯

對位聚苯

聚四氟乙烯

對位聚苯

ASTM

聚四氟乙烯

對位聚苯

聚四氟乙烯

對位聚苯

聚四氟乙烯

對位聚苯

填料

GB

聚四氟乙烯

柔性石墨

聚四氟乙烯

柔性石墨

聚四氟乙烯

柔性石墨

ASTM

聚四氟乙烯

柔性石墨

聚四氟乙烯

柔性石墨

聚四氟乙烯

柔性石墨

螺栓

GB

35

0Crl8Ni9

0Crl8Ni9

ASTM

A193B7

A320-B8

A320-B8

螺母

GB

45

0Cfl8Ni9

0Crl8Ni9

ASTM

A1942H

A194-8

A194-8

三通球閥
性能規范:

公稱壓力(MPa)

常溫最大工作壓力(MPa)

殼體試驗壓力(MPa)

氣密封試驗壓力(MPa)

高壓密封試驗壓力(MPa)

PN1.6

1.6

2.4

0.6

1.76

PN2.5

2.5

3.8

0.6

2.75

PN4.0

4.0

6.0

0.6

4.4

l50LB

2.0

3.0

0.6

2.2


本文標題:不銹鋼三通四通球閥廠家直銷,不銹鋼四通螺紋球閥廠家價格 本文地址:http://www.mini361.com/company-news/5264.html

上一篇: 十堰不銹鋼三通球閥廠家供貨,三通球閥廠家安裝方便 / 下一篇:大口徑閥門閘閥廠家,大口徑閥門生產廠家